Master Section S for the 5MT Series S, Series C and Series D Mixing Console System
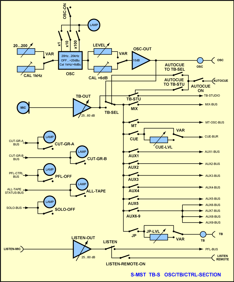
Block Diagram Talkback, Listen, Oscillator and Status Control in Talkback Module TB-S
HOME CLOSE INDEX  S-MASTER MAIN DIAGRAM   TALKBACK MODULE MON-S DIAGRAM


Talkback, Listen and Oscillator Section in Module TB-S